emyjnie.pl
tag-img

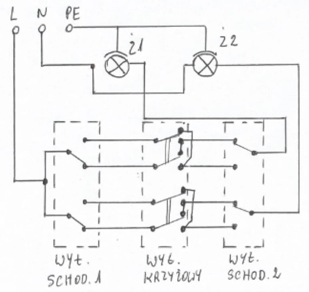
Tag jak prawidłowo podłączyć łącznik krzyżowy

1 / 1